Độ to của âm là một đại lượng đặc trưng sinh lý của âm nó phụ thuộc vào
tần số âm.
Cường độ dòng điện qua mạch R-C nối tiếp có phương trình \(i = {I_0}\cos \left( {\omega t + \varphi } \right)\), đại lượng \(\left( {\omega t + \varphi } \right)\)gọi là
pha của cường độ dòng điện.
Trong thí nghiệm Y-âng về giao thoa ánh sáng, hai khe hẹp cách nhau một khoảng \(a\) và cách màn quan sát một khoảng \(D\). Ánh sáng dùng làm thí nghiệm có bước sóng \(\lambda \). Trên màn, khoảng cách ngắn nhất giữa vân sáng và tối là
\(\frac{{\lambda D}}{{4a}}\)
Đặt điện áp xoay chiều vào hai đầu đoạn mạch có R, L mắc nối tiếp. Biết cảm kháng có giá trị bằng R. So với điện áp giữa hai đầu đoạn mạch thì cường độ dòng điện
nhanh pha hơn góc \(\frac{\pi }{2}\).
Một con lắc lò xo có độ cứng k, vật nhỏ khối lượng m, đang dao động điều hòa. Chọn gốc tọa độ tại vị trí cân bằng, phương trình động lực học của vật nhỏ có dạng: \(x'' + \frac{k}{m}x = 0\). Đại lượng \(\frac{k}{m}\) có đơn vị là
\({\left( {rad/s} \right)^2}\).
Hai dao động điều hòa lần lượt có phương trình \({x_1} = {A_1}\cos \left( {{\omega _1}t + {\varphi _1}} \right)\) và \({x_2} = {A_2}\cos \left( {{\omega _2}t + {\varphi _2}} \right)\)\({\varphi _2}\). Hai dao động này được gọi là cùng pha khi
\({\varphi _2} - {\varphi _1}\)\( = 2n\pi \) với \(n \in Z\) và \({\omega _2} - {\omega _1} = 0\)
Nước lọc dùng để uống, sau khi lọc hết kim loại nặng, cặn bã ta tiếp tục tiệt khuẩn bằng tia
cực tím.
Tốc độ truyền sóng cơ là
tốc độ truyền pha dao động.
Số notron có trong hạt nhân \({}_6^{14}C\) là
7.
Trong điện xoay chiều, đại lượng nào sau đây không có giá trị hiệu dụng?
Cường độ dòng điện.
Nguyên tắc hoạt động của Laze dựa vào
sự giao thoa ánh sáng
Nguyên tắc hoạt động của máy biến áp dựa trên
hiện tượng cộng hưởng điện từ. \(\quad \)
Dòng diện trong chất điện phân là dòng chuyển dời có hướng của
các ion âm và ion dương.
Dao động tắt dần có biên độ
phụ thuộc vào tần số dao động riêng.
Trong sơ đồ khối của một máy phát thanh vô tuyến đơn giản, bộ phận biến đổi dao động âm thành dao động điện là
ăngten.
Một con lắc lò xo gồm vật nhỏ khối lượng \(m\) và lò xo nhẹ có độ cứng \(k\) đang dao động điều hòa. Tại thời điểm vật có li độ \(x\), gia tốc \(a\)thì thương số \(\frac{a}{x}\) bằng
\( - \frac{m}{{2k}}\).
Theo thuyết lượng tử ánh sáng, phát biểu nào sau đây sai?
Trong chân không, phôtôn bay với tốc độ \(c = {3.10^8}\;{\text{m}}/{\text{s}}\) dọc theo các tia sáng.
Hạt nhân có độ hụt khối càng lớn thì
có năng lượng liên kết riêng càng lớn.
Trong thí nghiệm giao thoa sóng ở mặt nước, hai nguồn kết hợp dao động theo phương thẳng đứng cùng pha, cùng biên độ. Trên đoạn thẳng chứa hai nguồn có n điểm dao động với biên độ cực đại và m điểm đứng yên ( n, m là số nguyên dương). Nhận định nào sau đây đúng ?
n luôn là số lẻ
Khi nói về ánh sáng đơn sắc, đại lượng đặc trưng chuẩn nhất đó là
màu sắc ánh sáng.
Đặt điện áp xoay chiều vào hai đầu đoạn mạch gồm điện trở \(R\) mắc nối tiếp tụ điện thì dung kháng và tổng trở của đoạn mạch lần lượt là \({Z_C}\) và \(Z\). Độ lệch pha giữa hiệu điện thế và cường độ dòng điện được xác định bằng biểu thức
\(\tan \Delta \varphi = \frac{{ - {Z_C}}}{Z}\).
Với hình bên,
công của lực điện trường khi dịch chuyển điện tích q ( q < 0) từ M đến N được xác định bằng biểu thức
\({A_{{\text{MN}}}} = qE.MN.\cos \alpha \).
Một electron bay vào trong từ trường đều với vận tốc ban đầu vuông góc với \(\overrightarrow B \). Tính độ lớn của lực từ \(\overrightarrow {{f_L}} \)nếu v = 2.105 m / s và B = 0,2T. Cho biết electron có độ lớn e = 1,6.10-19 C:)
6,4.1023(N)
Một con lắc lò xo gồm vật nhỏ và lò xo nhẹ có độ cứng \(50\;{\text{N}}/{\text{m}}\)dao động điều hòa với biên độ 8cm. Khi con lắc qua vị trí có li độ \(4\;{\text{cm}}\) thì động năng của con lắc là
\(240m\;{\text{J}}\).
Trong thí nghiệm Y-âng về giao thoa ánh sáng, nguồn sáng phát ra ánh sáng đơn sắc có bước sóng \(\lambda \)=\(600\;{\text{nm}}\). Tại điểm M trên màn là vân sáng bậc 4 của bức xạ \(\lambda \). Nếu thay bức xạ \(\lambda ' = 400nm\) thì tại M là vân
sáng bậc 6.
Cho phản ứng hạt nhân: \(p\,\, + \,\,_3^7Li\,\, \to \,\,2\alpha \,\, + \,\,17,3MeV\). Cho NA = 6,023.1023 mol-1. Khi tạo thành được 1g Hêli thì năng lượng tỏa ra từ phản ứng trên là
26,04.1023MeV.
Đặt điện áp xoay chiều vào hai đầu đoạn mạch RLC nối tiếp. R = \(20\Omega \), cảm kháng của đoạn mạch là \(30\Omega \), dung kháng của đoạn mạch là \(40\Omega \). Độ lệch pha của điện áp hai đầu đoạn mạch so với cường độ dòng điện trong mạch là
\( - 0,464{\text{rad}}\).
Cho hai mạch dao động LC lý tưởng, dao động điện từ tự do. Mạch thứ nhất có tụ \({C_1}\) gồm hai bản \(A\) và \(B\). Phương trình điện tích trên bản A là:\({q_1}\)=\({Q_0}\)cos\(\left( {\frac{{2\pi }}{T}t + \frac{\pi }{2}} \right)\) (C). Mạch thứ hai có tụ C2 gồm hai bản A' và B'. Phương trình điện tích trên bản A' là: \({q_2}\)=\({Q_0}\)cos\(\left( {\frac{{2\pi }}{T}t – \frac{\pi }{6}} \right)\) ( C). Sau khoảng thời gian ngắn nhất \(\Delta t\) kể từ khi dao động đến khi hai bản A và A' có cùng giá trị điện tích, giá trị đó là:
\(q = - \frac{{\sqrt 2 }}{2}{Q_0}\)
Trong chân không, tia \(X\) có bước sóng \(0,2\;{\text{nm}}\). Một chùm tia X có công suất P = 99,375nW, số phôtôn có trong chùm là
\(8,2 \cdot {10^7}\).
Biết cường độ âm chuẩn là \({10^{ – 12}}\;{\text{W}}/{{\text{m}}^2}\). Tại một điểm có mức cường độ âm là 2B thì cường độ âm tại đó là
\({10^{ - 10}}\;{\text{W}}/{{\text{m}}^2}\)
Trong thí nghiệm giao thoa Y – âng thực hiện đồng thời hai bức xạ đơn sắc với khoảng vân trên màn thu đuợc lần luợt là: \({i_1} = 0,5{\text{mm;}}{i_2} = 0,7{\text{mm}}\). Biết bề rộng truờng giao thoa là 15 mm. Trên trường giao thoa có bao nhiêu vị trí mà tại đó cả hai bức xạ đều cho vân tối ?
5.
Lần lượt đặt điện áp xoay chiều có giá trị hiệu dụng và tần số không đổi vào hai đầu điện trở, cuộn dây thuần cảm và tụ điện thì dòng điện qua các phần tử giá trị hiệu dụng là \(1,2A;1,6A;1,4A\). Nếu đặt điện áp này vào đoạn mạch gồm 3 phần tử trên mắc nối tiếp thì giá trị cường độ dòng điện hiệu dụng là
\(0,838A\).
Một đoạn mạch \({\text{AB}}\) chứa L, R và \(C\)như hình vẽ.
uộn cảm thuần có độ tự cảm L. Đặt vào hai đầu \({\text{AB}}\) một điện áp có biểu thức \(u = {U_0}\cos \omega t(V)\), rồi dùng dao động kí điện tử để hiện thị đồng thời đồ thị điện áp giữa hai đầu đoạn mạch \({\text{AN}}\) và \({\text{MB}}\) ta thu được các đồ thị như hình vẽ bên. Xác định hệ số công suất của đoạn mạch \({\text{AB}}\).
\(\cos \varphi = 0,71\).
\( \to \frac{{{Z_{AN}}}}{{{Z_{MB}}}} = \frac{{{U_{0AN}}}}{{{U_{0MB}}}} = \frac{{2\^o }}{{1\^o }} = 2 = > {Z_{AN}} = 2{Z_{MB}}\) Vẽ giản đồ vectơ. Xét tam giác vuông ANB vuông tại A:( Với α+β =π/2). Ta có:\(\tan \beta = \frac{{{Z_{AN}}}}{{{Z_{MB}}}} = 2 = \frac{R}{{{Z_C}}} = > R = 2{Z_C}\xrightarrow{{{Z_C} = 1}}R = 2\)Ta có: \(\tan \alpha = \frac{{{Z_{MB}}}}{{{Z_{AN}}}} = \frac{1}{2} = \frac{R}{{{Z_L}}} = > {Z_L} = 2R = 2.2 = 4\)Ta có: \(\cos \varphi = \frac{R}{{\sqrt {{R^2} + {{({Z_L} – {Z_C})}^2}} }} = \frac{2}{{\sqrt {{2^2} + {{(4 – 1)}^2}} }} = 0,55\)Một sợi dây đàn hồi A B căng ngang có đầu \(B\) cố định, đầu \(A\) nối với một máy rung. Khi máy rung hoạt động, đầu \(A\) dao động điều hòa thì trên dây có sóng dừng với n bụng sóng. Đầu \(A\) được coi là một nút sóng. Tăng tần số của máy rung thêm một lượng \(24\;{\text{Hz}}\) thì trên dây có sóng dừng với n +2 bụng sóng. Biết tốc độ truyền sóng trên dây không đổi và \(10Hz < f < 100Hz\). Giá trị lớn nhất của tần số để có sóng dừng là
98Hz.
Tổng hợp hai dao động điều hòa x1 = 5cos \((\omega t + {\phi _1})\)cm; x1 = A2cos \((\omega t + {\phi _2})\) cm (\({\phi _2} \geqslant {\phi _1})\) ta được phương trình tổng hợp có dạng x = 10\((\omega t + \frac{\pi }{6})\)cm. Tồn tại một giá trị của \({\phi _1}\)để A2 có giá trị nhỏ nhất khi đó \({\phi _1}\)có giá trị là:
\(\frac{\pi }{6}\)
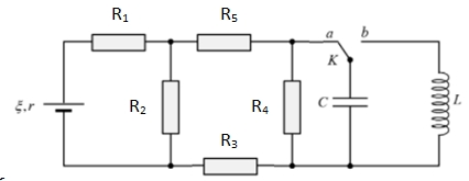
Dùng mạch điện như hình bên để tạo ra dao động điện từ. Ban đầu đóng khóa K vào chốt a, khi dòng điện qua nguồn điện ổn định là chuyển khóa K đóng sang chốt \(b.\) Biết \(\xi = 16V,r = 0,5\Omega \) \({R_1} = {R_2} = {R_3} = {R_4} = {R_5} = 2\Omega ;\)\(L = \frac{9}{{10\pi }}mH;\mathop {}\limits^{} C = \frac{1}{\pi }\mu F\) Lấy \(e = 1,{6.10^{ – 19}}{\text{ }}C\). Trong khoảng thời gian \(10{\text{ }}\mu s\) kể từ thời điểm đóng K vào chốt b, có bao nhiêu electron đã chuyển đến bản tụ điện nối với khóa K?
\(1,{99.10^{12}}electron\).
\(I = \frac{\xi }{{r + {R_N}}} = \frac{{16}}{4} = 4A\)\({U_{AB}} = I{R_{2345}} = 4.1,5 = 6V\)\({I_4} = \frac{{{U_{AB}}}}{{{R_{345}}}} = \frac{6}{6} = 1A\)\({U_{0C}} = {I_4}{R_4} = 2V\)\({q_0} = C{U_{0C}} = \frac{{{{2.10}^{ – 6}}}}{\pi }\left( C \right)\)Khi khóa \(K\) ở chốt \(b.\)\(T = 2\pi \sqrt {LC} = 2\pi \sqrt {\left( {\frac{9}{{10\pi }} \cdot {{10}^{ – 3}}} \right) \cdot \left( {\frac{1}{\pi } \cdot {{10}^{ – 6}}} \right)} = \frac{3}{5} \cdot {10^{ – 4}}\;{\text{s}}\)\(\Delta t = \frac{T}{6} \to q\) giảm từ \({q_0}\) xuống còn \(\frac{{{q_0}}}{2}\).\({n_e} = \frac{{\Delta q}}{e} = \frac{{\frac{1}{2} \cdot \left( {\frac{{{{2.10}^{ – 6}}}}{\pi }} \right)}}{{\left( {1,{{6.10}^{ – 19}}} \right)}} \approx 1,{99.10^{12}}{\text{ electron}}{\text{. }}\)Hạt nhân \({}_{}^{210}Po\) là chất phóng xạ phát ra tia α và biến đổi thành hạt nhân Pb với chu kỳ 138 ngày. Tại thời điểm t, tỉ lệ giữa số hạt nhân chì và số hạt Po trong mẫu là 7. Tại thời điểm t' = t + 138 ngày tỉ lệ khối lượng hạt chì và khối lượng hạt Po là
4,905
Hai điểm sáng dao động điều hòa trên trục Ox xung quanh vị trí cân bằng chung O. Một phần đồ thị biểu diễn sự phụ thuộc li độ của hai điểm sáng vào thời gian như hình vẽ.
Thời gian ngắn nhất kể từ lúc t = 0 để vận tốc của hai điểm sáng thỏa mãn biểu thức \(v_2^2 + \frac{{16}}{9}v_1^2 = 1,6{}_{}\left( {{m^2}/{s^2}} \right)\) là ( Lấy \({\pi ^2} = 10\))
0,025s
Phương trình x1 = \(3\cos \left( {\omega t – \frac{\pi }{2}} \right)cm\) x2 = \(2\cos \left( {2\omega t} \right)cm\) \(T = 0,2s \Rightarrow \omega = 10\pi \left( {rad/s} \right)\)v1 = \(3\omega \cos \left( {\omega t} \right)\) = \(0,3\pi \cos \left( {\omega t} \right)\left( {m/s} \right)\)v2 = \(4\omega \cos \left( {2\omega t + \frac{\pi }{2}} \right) = 0,4\pi \cos \left( {2\omega t + \frac{\pi }{2}} \right)\left( {m/s} \right)\) \(v_2^2 + \frac{{16}}{9}v_1^2 = 1,6{}_{}\left( {{m^2}/{s^2}} \right) \Leftrightarrow \frac{{v_2^2}}{{1,6}} + \frac{{10}}{9}v_1^2 = 1 \Leftrightarrow \frac{{v_2^2}}{{{{\left( {0,4\pi } \right)}^2}}} + \frac{{v_1^2}}{{{{\left( {0,3\pi } \right)}^2}}} = 1\)Tương ứng 2 véc tơ tại thời điểm đó vuông góc nhauPhương trình tọa độ góc của v1 là : \({\phi _1} = \omega t\)Phương trình tọa độ góc của v2 là : \({\phi _2} = 2\omega t + \frac{\pi }{2}\)\({\phi _2} – {\phi _1} = \frac{\pi }{2} \Rightarrow \omega t = \pi \Rightarrow t = \frac{T}{2} = 0,1\)Trên mặt nước có hai nguồn sóng kết hợp \({S_1}\) và \({S_2}\left( {{S_1}{S_2} = 20{\text{cm}}} \right)\) dao động cùng pha, cùng biên độ theo phương thẳng đứng. Trên mặt nước \({\text{O}}\) là điểm dao động với biên độ cực đại \(O{S_1} = 16\;{\text{cm}},O{S_2} = 12\;{\text{cm}}\). Điểm M thuộc đoạn \({S_1}{S_2}\), gọi (d) là đường thẳng đi qua \(O\) và \(M\). Cho \(M\) di chuyển trên đoạn \({S_1}{S_2}\) đến vị trí sao cho tổng khoảng cách từ hai nguồn đến đường thẳng (d) là lớn nhất thì phần tử nước tại \({\text{M}}\) dao động với biên độ cực đại. Biết tốc độ truyền sóng là \(20\;{\text{cm}}/{\text{s}}\). Tần số dao động nhỏ nhất của nguồn là
\(35{\text{Hz}}\).
Khi (d) \( \bot \)S1S2. Tam giác OS1S2 vuông tại O nên\(\begin{gathered} {S_1}M = \frac{{{{16}^2}}}{{20}} = 12,8cm \hfill \\ \Rightarrow {S_2}M = 7,2cm \hfill \\ \end{gathered} \)Vì M và O cực đại nên thỏa mãn\(\begin{gathered} 16 – 12 = 4 = {k_1}\lambda \hfill \\ 12,8 – 7,2 = 5,6 = {k_2}\lambda \hfill \\ \frac{{{k_1}}}{{{k_2}}} = \frac{5}{7} = \frac{{10}}{{14}} = …….. \hfill \\ \end{gathered} \)\({\lambda _{\max }} = \frac{4}{5} = 0,8cm\) khi k1 =5\({f_{\min }} = \frac{v}{{{\lambda _{\max }}}} = 25Hz\)Các đoạn mạch AM, MN, NB lần lượt chứa các phần tử: cuộn cảm thuần, điện trở, tụ điện. Dòng điện xoay chiều chạy qua mạch có tần số ổn định và có giá trị cực đại \(1{\text{ }}A\). Hình vẽ bên là đồ thị biểu diễn sự phụ thuộc của điện áp hai đầu đoạn mạch AN và hai đầu đoạn mạch MB theo thời gian t.
Giá trị hệ số tự cảm của cuộn dây và điện dung của tụ điện lần lượt là
360 mH; 50 μF.

Kết quả:
Xem thêm: Đáp án Đề Thi Thử Tốt Nghiệp THPT 2023 Môn Lý Online-Đề 3 mới nhất.
TaiEbook.vn là nền tảng chia sẻ tài liệu học tập và sách PDF miễn phí, hỗ trợ học sinh, sinh viên và giáo viên tiếp cận kho tri thức chất lượng. Website cung cấp đa dạng tài liệu từ giáo trình, đề thi, bài giảng đến sách tham khảo thuộc nhiều cấp học và lĩnh vực khác nhau. Tất cả nội dung đều được định dạng PDF, dễ dàng tải về và sử dụng mọi lúc, mọi nơi. Giao diện thân thiện, thao tác nhanh chóng, không cần đăng ký tài khoản. TaiEbook.vn – nơi học tập dễ dàng bắt đầu chỉ với một cú click!
Tài Liệu Toán, Tài liệu Tiếng Anh, Tài Liệu Công Dân, Tài Liệu Địa Lí, Tài Liệu Lịch Sử, Tài Liệu Sinh Học, Tài Liệu Ngữ Văn, Tài Liệu Hóa Học, Tài Liệu Vật lí.